A conducting rod AC of length 4l is rotated about a point O in a uniform magnetic field B directed into the paper AO = l and OC = 3l. Then :-

No solution provided for this question.
A conducting rod AC of length 4l is rotated about a point O in a uniform magnetic field B directed into the paper AO = l and OC = 3l. Then :-

No solution provided for this question.
A wire forming one cycle of sine curve is moved in x-y plane with velocity
\[\overrightarrow{V}=V_{x}\hat{i}+V_{y}\hat{j}\] .
There exist a magnetic field \[\overrightarrow{B}=-B_{0}\hat{k}\] . Find
the motional emf develop across the ends PQ of wire :

No solution provided for this question.
A copper rod AB of length L, pivoted at one end A, rotates at constant angular velocity ω, at right angles to a uniform magnetic field of induction B. The e.m.f developed between the mid point C of the rod and end B is :

No solution provided for this question.
The magnetic field in a region is given by
\[\overrightarrow{B}=B_{0}\left( 1+\frac{x}{a} \right)\hat{k}\]
. A square loop of edge – length d is placed with its edge along x & y axis. The loop is moved with constant velocity \[\overrightarrow{V}=V_{0}\hat{i}\]. The emf induced in the loop is
No solution provided for this question.
A metal disc rotates freely, between the poles of a magnet in the direction indicated. Brushes P and Q make contact with the edge of the disc and the metal axle.What current, if any, flows through R?

No solution provided for this question.
A rectangular loop has a sliding connector PQ of length l and resistance RΩ and it is moving with a speed v as shown. The set-up is placed in a uniform magnetic field going into the plane of the paper. The three currents I1, I2 and I are

No solution provided for this question.
Select the correct alternative. A thin semicircular conducting ring of radius R is falling with its plane vertical in a horizontal magnetic induction \[\overrightarrow{B}\] . At the position MNQ the speed of the ring is v & the potential difference developed across the ring is :

No solution provided for this question.
A conducting rod AC of length 4l is rotated about a point O in a uniform magnetic field
\[\overrightarrow{B}\] directed into the paper. AO = l and OC = 3l. Then

No solution provided for this question.
A conducting rod is moved with a constant velocity v in a magnetic field. A potential difference appears across the two ends
No solution provided for this question.
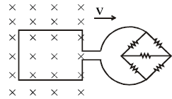
A square metal loop of side 10 cm and resistance 1 Ω is moved with a constant velocity partly inside a magnetic field of 2 Wbm–², directed into the paper, as shown in the figure. This loop is
connected to a network of five resistors each of value 3 Ω. If a steady current of 1 mA flows in
the loop, then the speed of the loop is :-

No solution provided for this question.