Two inductances connected in parallel are equivalent to a single inductance of 1.5 H, and
when connected in series are equivalent to a single inductance of 8H. The difference in their
inductance is :-
No solution provided for this question.
Two inductances connected in parallel are equivalent to a single inductance of 1.5 H, and
when connected in series are equivalent to a single inductance of 8H. The difference in their
inductance is :-
No solution provided for this question.
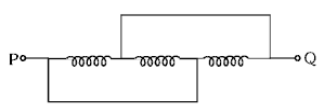
Pure inductors each of inductance 3 H are connected as shown. The equivalent induction of
the circuit is :-

No solution provided for this question.