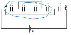
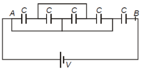
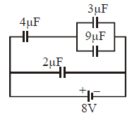
Solution:
Let's verify and calculate the correct answer step-by-step:
Given Data:
- Capacitances:
- Maximum voltages:
Step 1: Maximum charge each capacitor can store:
The capacitor with the minimum charge capacity limits the system. Here,
, dictated by
.
Step 2: Voltage distribution across each capacitor:
In series, charge
is the same on all capacitors, and the voltage across each capacitor is:
Total voltage across the series combination:
Substitute
:
Step 3: Total voltage:
Final Answer:
The maximum voltage the series combination can withstand is:
Discuss this question